新一代信息技术的快速发展和推广应用正在全世界范围内引发影响深远的制造业变革。当前,制造业正迎来第四次工业革命,即工业4.0,旨在运用信息整合和控制系统打造智能工厂、实现智能制造。
然而目前在石化、制药等行业的平均自动化水平不高,运用信息化管理的理念和管理水平相对较低,具体原因主要包括信息化建设基础弱、安全质量监管强和投资收益见效慢等方面中国机械网okmao.com。行业整体自动化水平较低,智能制造发展基础薄弱,普遍处于机械化阶段,信息化手段局限,许多设备仍不具备网络或数据通信功能。由于各生产环节间的物料转运和投放大多依靠人工,导致生产管理相关数据不能互联互通,管理操作无法“连点成线”,数据上形成“信息孤岛”,距离实现智能制造仍存在差距。
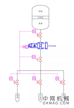
以精细化工中萃取工艺为例,间隙生产在反应釜放料的环节,一直存在“信息孤岛”的问题。很多单位都是采用人工观察放料,人工控制放料阀门的手段来生产。无法实现智能化,连机械化都达不到。究其原因,对于液液分离后放料时很难通过智能化的手段得到当前的液相,无法转化为数字信号就无法实现自动化控制。

利用AI机器视觉技术结合光谱分析技术,这一问题迎刃而解。
根据朗伯比尔定律(Lambert-Beer law),射入光线与介质的相互作用是吸光度测量的基础。光源向介质发射光线,由检测器检测光线。检测通过视镜的光线波长、强度等,通过传感器及算法转换成光强值和图像。不同的液相状态对应不同的光强值以及不同的图像信息。
在此原理基础上,江苏东方赛光电有限公司新推出革命性产品——智能视镜,可很好的解决精细化工生产过程中的液相检测、颜色识别以及管道中的界面位置测量等难点。
一、智能视镜
适用于精细化工、农药医药合成萃取工段间歇分层的液相检测,能够敏捷可靠检测出水相、油相、混合相(乳化层),对气泡、乳化层、杂质有敏感响应。预制结构安装便捷,对于使用管道视镜的场景有普遍适用性。

智能视镜可同步输出4-20mA/RS485信号与标准视频流信号,工业标准4-20mA信号接入控制室的DCS/PLC系统,结合生产工艺,自动系统可以控制各相关调节阀,完成自动化生产。标准视频流信号可以接入视频监控系统,对于生产过程记录与监控。

图中1(红色框)为视镜空相;2(蓝色框)为水相,水相稳定;3(紫色框)为过渡层,过渡层清晰辨别度高;4(黄色框)为成品物料,成品相与水相差值很大,能清晰准确的检测到,达到预期检测目标。

二、颜色识别仪
适用于精馏塔工艺中,传统的成品的色度检测是由人工取样,回化验室进行色度标准品比对来确认成品合格与否。采用机器视觉技术可以精确识别要监控的液体的颜色,对颜色变化产生实时响应。大大提高了生产的连续性,同时也减少了现场作业人员与人为比对误差。

测量模式:单色模式和色差模式
① 单色模式
测量在单色系上变化的透明液体(如从浅黄色到深黄色)。共可测4个色系,I绿色、II红色、III蓝色、IV黄色。
I绿色
l 示值范围:0-1000(表示由无绿色分量到深绿)
l 重复性:<3%
l 示值精度:1

II红色
l 示值范围:0-1000(表示由无红色分量到深红)
l 重复性:<3%
l 示值精度:1

三、视觉界面仪
连续分层工艺是发展方向,但涉及重相与进料之间的协调控制,如果控制不好,容易造成轻相或重相夹料。采用机器视觉技术,能够同时检测出分层界面、轻相响应值、重相响应值,既能确保界面在合适的范围内,又能在出现意外夹料时及时关闭重相或轻相阀门。

综上所述,江苏东方赛光电有限公司研发的智能视镜成功解决了人工检测的困局。智能视镜不仅能把4-20mA信号直接传输给DCS,其自带的网络功能也可以将同步的视频传输给监控系统,实现远程控制与远程监控。操作人员不需要到现场操作,及保障了工艺的准确也保障了生产安全。智能视镜在萃取分层等工艺中的得到了良好的应用,为生产自动化添砖加瓦,为安全生产保驾护航。
